BH-0420SK 智能照明時控模塊
閱讀次數:1620 發布時間:2021-07-29

技術參數:
型號規格:BH-0420SK
工作電壓:AC220V
標稱電流:20A
輸出回路:4 路
功 耗:< 3W
通訊方式:RS485 通訊,標準 Modbus-RTU 通訊協議
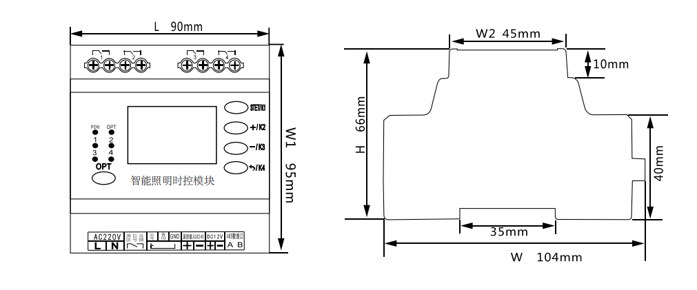
外形尺寸:90x104x66mm
功能特點:
LCD 液晶顯示;
經緯度,天文時鐘控制;
時間控制;
光控;
節假日模式;
就地手自動控制;
遠程集中控制;
消防聯動,強啟強切可設定;
消防信號反饋;
通訊地址可設定;
全開全關延時可設定;
上電模式可設定;
波特率可設定;
可恢復出廠設置;
可外加人體紅外微波感應;
可外加無線控制(手機、電腦、PAD );
可加電流檢測;
標準導軌安裝。
外形尺寸圖:

接線原理圖:



