智能型防雷監測模塊
閱讀次數:7283 發布時間:2020-07-17
一、產品說明
該智能防雷監測模塊包含了開關量,雷擊次數,空開狀態,環境溫度的檢測。一路開關量監測模塊是否劣化;雷擊次數為數碼管顯示,同時雷擊次數可以通過485傳輸給后臺;空開狀態監測輸出端火線跟零線之間的電壓,如果是220V則判定空開是正常的,如果為0則判定空開是斷開了。(空開4P要一體式的);環境溫度監測當SPD溫度到了一定的值的時候可以設置報警值。
二、產品特性
1、模塊導軌式安裝,配合電源防雷器使用安裝方便;
2、220V供電;
3、標準modbus協議;
4、可以連接到后臺服務器,在網絡范圍內,電腦可遠程監控任意一個采集終端。
三、性能參數
型號 | BH-ZFC |
適應電網系統 | 220/380供電 |
雷擊次數 | 0-99次循環,后臺可以記錄下雷擊時間 |
SPD遙信監測 溫度監測 | 1路 1路 |
空開狀態監測 | 1路 |
通訊方式 | RS485 無線 |
輸入電源 | 220V |
協議 | Modbus |
工作溫度 | -20℃~+60℃ |
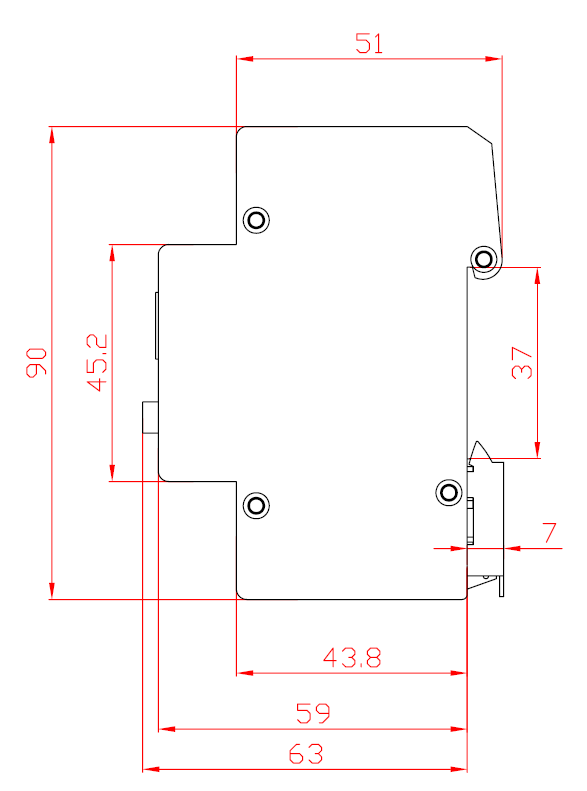
尺寸 | 90*36*66 |
四、工作原理
智能防雷監測模塊和防雷器串聯,實時監測防雷器的工作狀態,并記錄雷擊次數,空開狀態,以485信號方式傳輸給防雷采集模塊,防雷采集模塊接收485信號后以網絡信號的方式傳輸到軟件后臺,客戶的網線插入到防雷采集模塊的網絡端口接口即可。
五、尺寸和連接示意圖


上排端子從左到右依次所代表的內容如下:
1-2感應采樣:接雷電計數器線圈
3(KL):接在空開輸出端L線上
4(KN):接在空開輸出端N線上
5(L):接在空開輸入端L線上
6(N):接在空開輸入端N線上
下排端子從左到右依次所代表的內容如下:
1(A):485信號
2(B):485信號
3(VDD):接傳感器電源線
4(DQ):接傳感器信號線
5(GDN):接傳感器及防雷遙信的C端
6(D|1):接防雷遙信NC端
六、系統原理圖




