ZH6-C40/3-650 DC/4P直流光伏專用電涌保護器
閱讀次數:26 發布時間:2026-03-24
邦華電氣ZH6-C40/3-650 DC/4P直流光伏專用SPD——你的光伏系統防護鎧甲
專為光伏直流側設計,精準適配650V直流系統,以40kA高通流容量筑牢防護防線,邦華電氣廠家直供無中間環節,2年質保全程護航,一站式解決光伏SPD采購全流程痛點,兼顧防護可靠性與采購性價比,讓你采購省心、用得放心。
一、ZH6-C40/3-650 DC/4P直流光伏專用電涌保護器產品概述:
作為光伏系統直流側安全防護的核心專用設備,邦華電氣ZH6-C40/3-650 DC/4P直流光伏專用浪涌保護器,專為太陽能光伏發電系統直流回路量身打造,可快速鉗制光伏系統中雷擊、組件啟停、電網波動產生的瞬時過電壓,高效泄放浪涌電流,有效避免浪涌沖擊損壞光伏組件、逆變器、匯流箱等核心設備,保障光伏系統連續穩定發電,減少停機損失。

結合光伏行業采購人員高頻痛點,該型號無需復雜調試,精準適配650V直流光伏系統,適配多數現有光伏配電架構,大幅降低后期維護成本,徹底解決“參數不匹配、安裝繁瑣、戶外易損壞”的采購難題。
該型號嚴格遵循IEC 61643-11標準及國家3C認證要求,由邦華電氣自主研發生產,兼顧防護性能與安裝便捷性,可根據你的光伏系統參數(直流電壓、接線方式)靈活適配,無論是分布式光伏、集中式光伏,還是戶外光伏電站、屋頂光伏項目,都能提供精準、可靠的浪涌防護。同時,邦華電氣廠家直供,可提供完整檢測報告,解決你采購時“選不對、用不上、品質無保障”的核心痛點,讓采購更省心、更放心。
二、ZH6-C40/3-650 DC/4P核心參數:

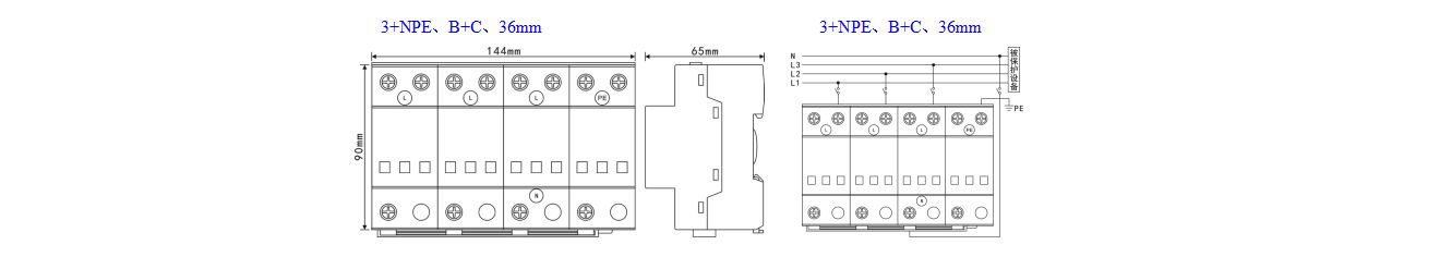
三、ZH6-C40/3-650 DC/4P直流光伏專用電涌保護器尺寸圖及接線圖:

四、系統接線圖:

五、ZH6-C40/3-650 DC/4P直流光伏專用電涌保護器核心特點:
- 光伏專屬,適配性極強:邦華電氣ZH6-C40/3-650 DC/4P專為650V直流光伏系統設計,精準匹配光伏組件、匯流箱、逆變器之間的直流回路,無論是集中式還是分布式光伏,都能高效泄放浪涌電流、鉗制過電壓,杜絕“防護失效或資源浪費”,徹底解決光伏行業“參數不匹配”核心痛點,同時可與邦華其他系列SPD配合,構建光伏系統全面防護體系。
- 戶外耐用,維護便捷:采用UL94 V0級高溫阻燃玻纖外殼及優質核心元器件,耐高低溫(-40℃~+80℃)、抗老化、防腐蝕,適配光伏戶外惡劣環境;自帶LED工作狀態指示,綠色正常、紅色失效,故障一目了然,無需頻繁巡檢,降低后期維護人力成本,解決“戶外維護繁瑣、故障難發現”痛點。
- 合規達標,品質可控:由邦華電氣自主研發生產,嚴格遵循IEC 61643-11、GB 18802.1標準,通過國家3C認證,每臺產品均經過嚴格出廠檢測,采購后可提供完整檢測報告及合格證書,支持第三方復檢,規避“品質無保障、無法通過光伏項目驗收”風險,解決采購核心顧慮。
- 廠家直供,高性價比:邦華電氣廠家直供,無中間環節,批量采購可享專屬優惠,大幅降低你的采購成本;同時提供完善的售后保障,2年官方質保,安裝指導、故障更換快速響應,解決“售后響應慢、采購成本高”痛點。
- 安全可靠,防護全面:內置過熱、過流脫離機構,搭配可視狀態窗口,可有效防止SPD故障引發的二次隱患;4P(3+1)全極保護設計,無防護盲區,同時保護光伏直流側正、負極及接地,避免單極過電壓引發設備損壞,守護光伏系統全鏈路安全。
六、ZH6-C40/3-650 DC/4P直流光伏專用電涌保護器適用場景:
- 集中式光伏電站:適配集中式光伏電站的光伏組件串、匯流箱輸入端/輸出端、逆變器直流輸入端,可抵御戶外強雷擊浪涌,保護電站核心設備,減少因浪涌導致的停機損失,適配LPZ0-2區域界面防護,可實現II級粗保護和III級細保護。
- 分布式光伏項目:涵蓋工業廠房屋頂、商業樓宇屋頂、居民住宅屋頂光伏系統,適配組件與匯流箱之間、匯流箱與逆變器之間的直流回路,體積小巧、安裝便捷,無需改造現有配電架構,適配各類屋頂光伏的狹小安裝空間。
- 戶外光伏場景:光伏農業大棚、戶外光伏電站、荒漠光伏基地等露天場景,常規IP20適配匯流箱內部,可定制IP65高防護等級,抵御風吹、日曬、雨淋、沙塵等惡劣環境,避免SPD因環境因素損壞,保障防護性能穩定。
- 光伏儲能配套:適配光伏儲能系統的直流側回路,保護儲能電池、儲能逆變器等設備,防止浪涌沖擊導致的電池損壞、儲能系統故障,適配光伏儲能一體化項目的防護需求。
- 其他光伏衍生場景:光伏充電樁、便攜式光伏設備、光伏路燈等小型光伏系統的直流側防護,可根據設備功率靈活適配,提供精準浪涌防護,保障小型光伏設備穩定運行。

七、常見疑問解答:
- Q1:該型號與普通直流SPD有何區別,我該怎么判斷是否適配我的光伏項目?
A:核心區別在于“光伏專屬適配”——普通直流SPD無法精準匹配光伏系統650V直流電壓和戶外工況,而邦華ZH6-C40/3-650 DC/4P專為光伏設計,650V額定電壓、40kA高通流容量,適配光伏直流側全鏈路防護。若你的光伏系統直流電壓為650V,無論是集中式、分布式還是戶外場景,優先選擇該型號;若電壓不同,可聯系邦華電氣顧問,匹配對應規格光伏專用SPD,避免盲目采購。
- Q2:采購后如何確認產品質量?是否有相關認證和檢測報告?
A:所有產品均為邦華電氣原廠生產,通過國家3C認證、IEC 61643-11標準檢測,采購后可免費提供檢測報告、合格證書及出廠檢驗記錄,支持第三方復檢,確保品質達標,完全滿足光伏項目驗收需求,徹底打消你的品質顧慮。
- Q3:批量采購有優惠嗎?供貨周期多久,能否按時交付?
A:批量采購可享邦華電氣廠家直供專屬優惠,具體優惠力度根據采購量協商;該型號為常規量產型號,供貨周期3-5個工作日,定制IP65防護等特殊規格可加急生產,確保不耽誤你的光伏項目進度,兼顧成本與效率。
- Q4:安裝復雜嗎?是否提供安裝指導和售后服務?
A:產品采用模塊化設計,適配35mm標準DIN導軌,自帶清晰接線示意圖,安裝簡單,可由電工快速完成;邦華電氣提供免費安裝指導(線上視頻+線下上門,根據采購量安排),售后支持7×24小時響應,質保期2年,故障更換、維修及時,無需擔心后期使用問題。
- Q5:該型號的使用壽命多久,需要定期更換嗎?
A:正常使用情況下,使用壽命可達5-8年,產品自帶LED劣化指示,當指示燈顯示紅色時,及時更換即可;邦華電氣會定期提醒你進行巡檢維護,同時提供免費巡檢指導,降低維護成本,確保光伏系統防護不中斷。
- Q6:采購后發現型號不匹配,能否退換貨?
A:支持無理由退換貨(未安裝、未損壞、不影響二次銷售前提下),同時邦華電氣會在采購前安排專業顧問,協助你核對光伏系統參數(電壓、接線方式、場景),最大程度避免型號不匹配問題,讓你采購無后顧之憂。
- Q7:2年質保具體包含哪些服務?
A:2年質保期內,產品出現非人為損壞(如元器件故障、防護失效等),邦華電氣免費提供維修、更換服務,同時提供免費技術支持和巡檢指導,質保期結束后可提供終身維護服務,徹底解決你的售后顧慮。
選擇邦華電氣ZH6-C40/3-650 DC/4P直流光伏專用浪涌保護器,就是選擇省心、可靠的光伏防護方案——無需糾結參數匹配,無需擔心品質問題,無需顧慮售后保障,一站式解決光伏SPD采購全流程痛點。
作為專注電氣防護多年的廠家,邦華電氣以優質產品、合理價格、完善售后,為你的光伏項目保駕護航。現在咨詢采購,可獲取專屬報價、免費樣品及完整參數手冊,批量采購更有額外優惠,快速鎖定適配你的光伏專用浪涌防護產品,守護你的光伏系統安全穩定發電,降低采購與運維成本。
光伏系統的高效發電,始于精準防護;高效的采購,源于選對產品。邦華電氣ZH6-C40/3-650 DC/4P直流光伏專用浪涌保護器,以光伏專屬參數適配需求,以邦華品質贏得信任,以2年質保解決顧慮,幫你規避采購誤區、控制成本,徹底解決“參數不匹配、戶外適配差、品質無保障、售后響應慢”等光伏行業高頻痛點,為你的光伏系統筑牢浪涌防護防線。
相關產品:
| ZH1-A15/2-275 | ZH1-A15/1+NPE-275 | ZH1-A15/3-275 | ZH1-A15/4-275 | ZH1-A15/3+NPE-275 | ZH1-A25/2-275 |
| ZH1-A25/1+NPE-275 | ZH1-A25/3-275 | ZH1-A25/4-275 | ZH1-A25/3+NPE-275 | ZH1-A35/2-275 | ZH1-A35/1+NPE-275 |
| ZH1-A35/3-275 | ZH1-A35/4-275 | ZH1-A35/3+NPE-275 | ZH1-A50/2-275 | ZH1-A50/1+NPE-275 | ZH1-A50/3-275 |
| ZH1-A50/4-275 | ZH1-A50/3+NPE-275 | ZH1-B150/2-420 | ZH1-B150/3-420 | ZH1-B150/4-420 | ZH1-B120/2-420 |
| ZH1-B120/3-420 | ZH1-B120/4-420 | ZH1-B100/2-420 | ZH1-B100/1+NPE-420 | ZH1-B100/3-420 | ZH1-B100/3+NPE-420 |
| ZH1-B100/4-420 | ZH1-B80/2-420 | ZH1-B80/1+NPE-420 | ZH1-B80/3-420 | ZH1-B80/3+NPE-420 | ZH1-B80/4-420 |
| ZH1-B60/2-420 | ZH1-B60/1+NPE-420 | ZH1-B60/3-420 | ZH1-B60/3+NPE-420 | ZH1-B60/4-420 | ZH1-C40/2-420 |
| ZH1-C40/1+NPE-420 | ZH1-C40/3-420 | ZH1-C40/3+NPE-420 | ZH1-C40/4-420 | ZH1-D25/2-385 | ZH1-D25/1+NPE-385 |
| ZH1-D25/3-385 | ZH1-D25/3+NPE-385 | ZH1-D25/4-385 | ZH2-DC24 | ZH2-DC48 | ZH2-DC110 |
| ZH2-DC220 | ZH6-C40/2-500DC | ZH6-C40/2-650DC | ZH6-C40/2-800DC | ZH6-C40/2-1000DC | ZH6-C40/2-1300DC |
| ZH6-B60/2-1300DC | ZH6-B80/2-1300DC | ZH6-B100/2-1300DC | ZH6-C40/3-500DC | ZH6-C40/3-650DC | ZH6-C40/3-800DC |
| ZH6-C40/3-1000DC | ZH6-C40/3-1300DC | ZH6-B60/3-1300DC | ZH6-B80/3-1300DC | ZH6-B100/3-1300DC | ZH6-C40/3-690 |
| ZH6-C40/4-690 | ZH6-B80/3-690 | ZH6-B80/4-690 | ZH6-B100/3-690 | ZH6-B100/4-690 | ZH6-B160/3-690 |
| ZH6-B160/4-690 | ZH8-4XB40 | ZH8-4XB60 | ZHS-DV3/24 | ZHS-DV3/220 | ZHS-DV2/24 |
| ZHS-DV2/220 | ZHS-DV2/S | ZHV-BNC | ZHV-BNC/16 | ZHV-BNC-F | ZHN-RJ45 |
| ZHN-RJ11/24 | ZHN-RJ11/48 | ZHN-RJ11/110 |




