DK-50G 模塊式電源電涌保護器
閱讀次數:2061 發布時間:2020-09-02
DK-50G系列浪涌保護器具有殘壓低、響應速度快、DK-50G系列浪涌保護器通流容量大(沖擊電流limp為25kA/線),DK-50G系列浪涌保護器產品壽命長、維護簡單、安裝方便

模塊式電源SPD
DK-50G系列 產品介紹
●產品設計標準本產品按照|EC相關標準設計,產品性能符合GB 18802. 1-2011《低壓電涌保護器(SPD)第1部分: 低壓配電系統的電涌保護器性能要求和試驗方法》國家標準的要求。
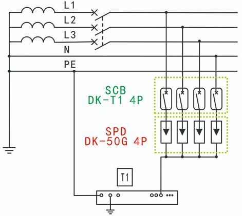
●產品結構:本產品采用獨立模塊化設計,密封性好,適用于35mm導軌式安裝。每組線路的防雷模塊采用溫控斷路技術,有過流保護功能。防雷模塊劣化時自動脫扣,能徹底避免火險。防雷模塊內設遠程告警接口,便于遠程監控。
●產品特點:本產品具有殘壓低、響應速度快、通流容量大(沖擊電流limp為25kA/線),產品壽命長、維護簡單、安裝方便等特點。
●適用范圍:-般安裝在建筑物低壓總配電柜/箱,可保護安裝在建筑物LPZ0與LPZ1邊界處配電系統中的各種電源進線端的,耐受沖擊電壓類別為IV類的電源設備。
產品參數
電湯 | SPD類型 | 端口 |
防雷保護等級 | 服 | |
適用的供電系統類型 | 、TN、IT | |
額定電壓U | 220N/380N A | |
最大持續運行電壓U | 3BVNC | |
頡定工作頻率 | 50H /6Qb | |
沖擊電流l(10/350 u s) | 25kA | |
標稱放電電流l(8/20u s) | 50kA | |
電壓保護水平U | 2.0k | |
響應時間LN-PE) | <100hs | |
外觀 | 外殼防護材質 | PC |
外殼阻燃等級 | u94V一o | |
外殼防護等級 | IP20 | |
外殼顏色 | 灰白 | |
工作狀態指示 | 遙信端子告警 | |
安裝 | 安裝方式 | 3標準導軌 |
接線端口數量 | 5PIN(4P)或PIN(2P) | |
接口類型 | 壓線框搜線柱 | |
螺栓規格 | ||
L00端連接導線(BR截面 | 10~3ml3 | |
E端礴連接導線(BVR截面 | 1&~3ml |
產品型號表
產品型號 保護模式 產品尺寸(mm) | ||
DK-50G2P | L/N-PE | 72×90×63 |
DK-50G 3p | L-PE | 108×90×63 |
DK-50G 4P | L/N-PE | 144×90×63 |
低壓配電系統電源設備的耐壓沖擊過電壓類別: IV 類
低壓配電系統電源設備的耐壓沖擊過電壓額定值: 6kV
雷電防護區類別: LPZ0與LPZ1 交界處
防護級別:低壓配電系統第一-級保護





